Tappvarmvatten för större fastigheter
En värmepumpsanläggning är en vanlig systemlösning som används för att ge värme/kyla och tappvarmvatten till en fastighet. Med styrmodulen NIBE SMO S40 kan upp till 8 värmepumpar kopplas samman till ett system. Vid inkoppling av varmvattensystem finns olika möjligheter och nedan beskrivs några vanliga system.
Hur fungerar det?
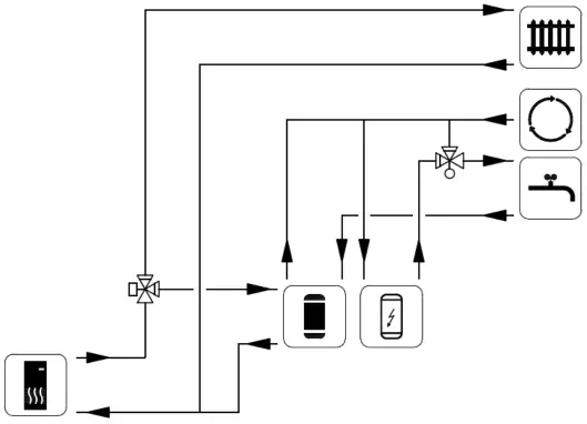
I en större värmepumpsanläggning med fler än en värmepump används SMO S40. Styrmodulen kan hantera upp till 8 st luft/vattenvärmepumpar eller bergvärmepumpar eller en systemlösning med både luft/vattenvärmepumpar och bergvärmepumpar om totalt 8 st enheter. Varmvatten kan göras av en eller av flera värmepumpar/kompressorenheter för att uppnå rätt effekt och växelventiler (QN10) skiftar flödet från värmesystemet till varmvattensystemet. Tänk på att välja rätt växelventil till rätt laddeffekt och om du bereder varmvatten i varmvattenberedare ska även denna dimensioneras korrekt. Läs mer här »
Styrmodulen/värmepumpen mäter kontinuerligt varmvattentemperaturen i varmvattensystemet med två givare, BT6 och BT7. När BT6 mäter temperatur under ”varmvatten start” skapas ett behov och om driftprioriteringen tillåter så kommer växelventilen att ställa sig i mot varmvattenladdning. När BT6 mäter temperaturer över ”varmvatten stopp” avslutas varmvattenproduktionen.
Systemlösningar
Symbolförklaringar

Varmvatten Premium
Med en/flera värmepumpar från NIBE och ett tappvarmvattensystem från Cetetherm uppnås en högeffektiv tappvarmvattenproduktion.
Finns VVC rekommenderas att man kompletterar anläggningen med en elspetsberedare eller låter fjärrvärmen täcka VVC-förlusten.

SMO bergvärmepump, varmvattenberedare och elektrisk varmvattenberedare PDF »
SMO bergvärmepump, varmvattenberedare och elektrisk varmvattenberedare DWG »
Varför välja en systemlösning från NIBE?
Tack vare vår intelligenta styrmodul NIBE SMO S40 kan vi bygga systemlösningar på en ny nivå som dessutom blir bättre och bättre för varje år. Vår långa erfarenhet av tappvattenanläggningar med Cetetherm AquaEfficiency bidrar till en enkelhet för dig som projektör/fastighetsägare i din vardag. Även systemlösningen Varmvatten Basic håller hög kvalité med varmvattenberedare och elberedare producerade i vår fabrik i Markaryd. Det har vi gjort sedan 50-talet.
Med stöd från vår fastighetsavdelning blir din projektering av en systemlösning från NIBE enkel. Vi hjälper dig att ta fram projektanpassat material som exempelvis modbuslistor, DWG-ritningar, och elförbindningstabeller. Kontakta oss här »
