
Växelventiler
I anläggningar där vi har fler behov på värmebärarsidan används växelventiler. Valet av växelventil sker utifrån den laddeffekt/flöde som används och i sortimentet finns tre olika att välja på. Behöver man ännu större växelventiler går det bra att använda andra fabrikat på marknaden.
Välja växelventil
För att dimensionera växelventil behöver man ha koll på systemets flöde och välja en ventil med lågt tryckfall. En tumregel är att tryckfallet bör vara under 10 kPa och läckageflödet mindre än 0,1% av KVS-värdet. Det är viktigt att beakta kraft, hastighet, matningsspänning och styrsignal när man väljer växelventil. Ställdonet bör ha ett vridmoment anpassat för applikationen och en växlingstid på ca 25-30 sekunder. Styrningen är en 2-punkts SPST, en 1-polig brytare med en signal för öppning och stängning och NIBEs värmepumpar och tillbehörskort har 230V tillgängligt för både matning och styrsignal.
Många produkter inom villasegmentet har i regel inbyggd växelventil men fastighetslösningar med exempelvis SMO S40 tillsammans med F1345/F1355 eller S2125 kräver externa växelventiler för att hantera andra behov än värme.
Hur fungerar det?
När ett behov uppstår i systemet skickar värmepumpen/styrmodulen signal till växelventilen att ställa om sin position och flödet styrs till annat behov. Vanligen styr växelventilerna varmvattenladdning, poolladdning och för att styra flödet mot ett kylsystem vid passiv/aktiv-kyla på köldbärarsidan. När behovet eller driftprioriteringen har uppnåtts slår växelventilerna tillbaka till sitt huvudläge och inväntar nytt behov eller ny driftprioriteringsperiod. Flera växelventiler kan kopplas in i samma system och mot samma behov. Exempelvis kan en anläggning med flera F1345/F1355 hantera en växelventil per värmepump mot samma varmvattenladdning och dessa styrs av huvudenheten men kan kopplas in i respektive underlydande värmepump. Även en luft/vattenanläggning kan hantera flera växelventiler med stora fördelar, se sidan Tappvarmvatten för större fastigheter »
Typer av växelventiler från NIBE


VST 20/VST 30
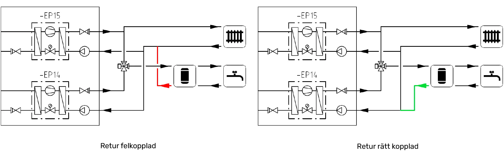
Returinkoppling
Viktigt att tänka på är att returen från exempelvis varmvattenladdningen monteras på rätt sätt. Om man installerar exempelvis F1345 där en av två kompressorer ska ha möjlighet att både göra varmvatten och värme krävs det att returen från varmvattenladdningen återvänder till enbart samma kompressordel som växelventilen är monterad mot. Om man monterar returen på den gemensamma returen från värmesystemet uppstår en blandning av temperaturer som motverkar kompressordelens möjlighet att kunna ladda varmvatten. Detta sker under vår och höst när värmesystemet behöver låga framledningstemperaturer men varmvattenladdningen behöver hög temperatur. När returen från varmvattenladdningen träffar det svalare vattnet från värmesystemet klarar inte kompressorn av att höja framledningen till varmvattenladdningen vilket gör att ”varmvatten stopp” inte uppnås och kompressorn kommer försöka jobba upp temperaturen under lång tid. Se illustration nedan.

Varför välja en systemlösning från NIBE?
Med stöd från vår fastighetsavdelning blir din projektering av en systemlösning från NIBE enkel. Vi hjälper dig att ta fram projektanpassat material som exempelvis modbuslistor, DWG-ritningar, och elförbindningstabeller. Kontakta oss här »
